Desiccant Basket TA586
Description

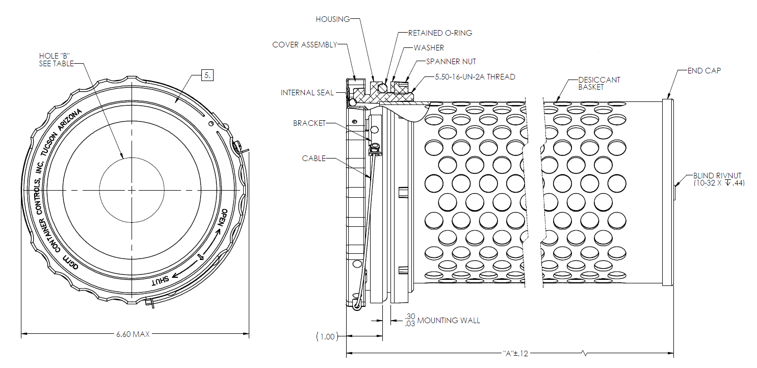
AGM's TA586 Desiccant Basket is designed to hold MIL-D-3464 bagged desiccant* for use in shipping and storage containers. They are available in a variety of sizes, holding up to 88 units of desiccant. Bags can be replaced easily, without opening the entire container, by turning the cover of the TA586 by 1/4 turn. Installed through a 5.52 in. (140 mm) diameter hole in the container wall.
Each basket comes complete with spanner nut, washer and retained gasket. Holes through the cover and flange are provided for safety wiring and inspector's seal.
Cover can be supplied with a 1.05 in. (26 mm) diameter hole for mounting a Two-Way Breather Valve (TA238, TA240-R, TA330, TA333-R or TA340-R) or with a 2.015 in. (52 mm) diameter hole for mounting a TA770-R Two-Way Breather Valve.(Order valves separately.)
Materials and Finish: Housing hard anodized, other aluminum alloys conversion coated per MIL-DTL-5541. Stainless steel cover, passivated. Buna-N retained O-ring and Silicone internal seal.
Torque value for spanner nut: 200 in. - lbs. (22.50 N•m)
The TA586 (solid cover or humidity indicator plug in the cover) is appropriate for use on NEMA 1, 2, 3, 3R, 3S, 4, 5, 6, 12, 12K, and 13 enclosures, as well as I66/IP67 enclosures. This item may also be appropriate for use on other NEMA or IP enclosures, depending upon the application. Contact AGM's Engineering department for information on NEMA and IP ratings on the TA586 with the valve in the cover.
Don't see exactly what you're looking for? Contact AGM's Engineering department for assistance with your specific requirement.
* Note: Desiccant must be purchased separately. For desiccant options, select the desiccant material you are interested in and look for 8 or 16 unit bags.

Additional Information
| Torque Value for Spanner Nut | 200 in. – lbs. (22.5 N•m) |
|---|---|
| Length | 4", 7", 12", 14", 17" |
| Mounting Hole Diameter | 5.52" (140 mm) |
| Cover Hole Diameter | None, 1.050" (26 mm), 2.015" (52 mm) |
| Cover Diameter | 6.60" (168 mm) |
