TA585 Records Holders
Description
| Part Number | Length "A" |
| TA585-4 | 5.00" (127 mm) |
| TA585-7 | 8.00" (203 mm) |
| TA585-12 | 13.00" (330 mm) |
| TA585-14 | 15.00" (381 mm) |
| TA585-17 | 18.00" (457 mm) |
Handles larger, bulkier, soft-covered documents. Also tools or other support items.
Simple to install in large shipping and storage containers, AGM's TA585 Records Holders provide a convenient, safe and easily accessible place for inspection records and instructions.
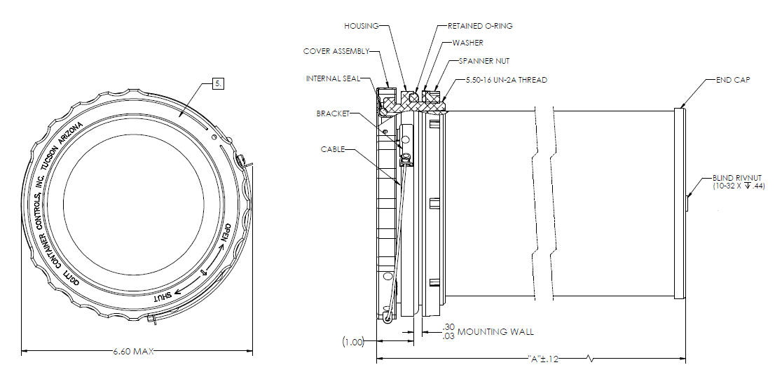
The lightweight TA585 Records Holders are waterproof and pressure tight up to 2.5 psig. The Records Holder is sealed to the container from the outside by a retained gasket. An O-ring in the spring loaded cover seals the interior of the records compartment from the outside.
Designed for mounting on a smooth, flat surface; this item may not seal tightly if surface is curved or domed or too rough.
Simple to Use. Roll the records or instructions and insert into tube. Press on cover and turn about 90°.
Easily Installed. Install the Records Holder through a 5.52" (140 mm) dia. hole in container wall. Gasket, washer and mounting nut are furnished. Blind threaded insert provided in end of tube for additional support.
Tamper-Proof. Holes through cover and flange of records holder are provided for safety wiring and inspector's seal.
Materials and Finish: Housing hard anodized, other aluminum alloys conversion coated per MIL-DTL-5541. Stainless steel cover, passivated. Buna-N O-ring and gasket.
Torque Value for Spanner Nut: 200 lb. in. (22.50 N•m)

Additional Information
| Records Holders Length | 4 in (102 mm), 7 in (178 mm), 12 in (305 mm), 14 in (356 mm), 17 in (432 mm) |
|---|---|
| Clear Opening Diameter | 4.80 in (122 mm) |
| Mounting Hole Diameter | 5.52 in (140 mm) |
| Torque Value for Spanner Nut | 200 lb. in. (22.50 N•m) |
| Cable Material | Stainless Steel |
| Cover Material | Stainless Steel |
| Cover Finish | Passivated |
| Body Material | Aluminum Alloys |
| Body Finish | Hard Anodized (Housing) or Conversion Coated |
| Internal O-Ring Material | Silicone |
| External Gasket Material | Buna-N |
